您的位置: 库存型号 > FAG轴承

ZKLN60110-2Z-XL

发布日期:2019-11-18

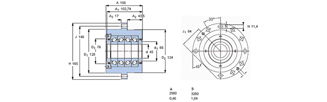
内径外径厚度cr
601104593000
cor疲劳载荷参考转速极限转速
214000
类型 品牌
丝杠支撑轴承 FAG
呐呗公司销售FAG ZKLN60110-2Z-XL轴承 ,能为客户提供样本图纸,自2001年起,FAG轴承在航空航天、汽车和工业领域起到了积极和重要的作用,产品涵盖了生产机械、动力传输与铁路、重工业以及消费品行业中所有的应用范畴。FAG轴承生产外径从3毫米到4.25米的各类球轴承和滚子轴承,包括依据样本的标准产品和依据用户特殊要求的非标产品。需要此轴承内外圈、内外径、厚度结构、重量、价格等资料请联系销售人员!
滚针轴承

滚针轴承

滚针轴承(needl...
2019-12-16
滚针轴承

滚针轴承

滚针轴承(needl...
2019-12-16
滚针轴承

滚针轴承

滚针轴承(needl...
2019-12-16
滚针轴承

滚针轴承

滚针轴承(needl...
2019-12-16

咨询热线